首頁
產品介紹一
天平衡器
泛用儀器
色差分析
黏度分析
光學儀器
滲透壓儀
水份分析
自動滴定
水質檢測
攪拌均質
產品介紹二
塗料檢測
物性試驗
離心機
耐光候試驗
烘箱灰化爐
光學顯微鏡
球磨滾筒機
薄膜包材檢測
儀器耗材
案例分享
最新訊息
光學儀器
你目前位置:
首頁
產品介紹一
光學儀器
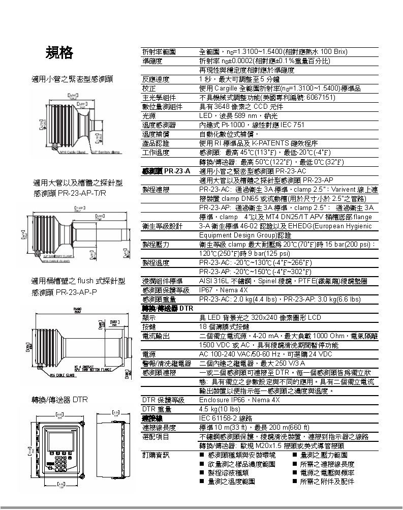
K-PATENTS PR-23 製程線上糖度/濃度計(符合食品衛生級)
K-PATENTS PR-23 製程線上糖度/濃度計(符合食品衛生級)
上一篇
下一篇
tweet
立宬科技有限公司
提供您 專業、完善、迅速的儀器銷售及售後維修服務,秉持多年來累積的實務經驗與背景,提供銷售符合客戶滿意的產品與服務品質,以負責、誠信、專業技術,永續經營與客戶共同成長
最新訊息
PAL-HIKARi 非破壞式水果糖度計
12 五月 2018
TR15 旋轉塗膜機 spin coater
20 三月 2018
311 電動紗線支數測長機
04 二月 2018
最新產品
PAL-HIKARi 非破壞式水果糖度計
12 五月 2018
TR15 旋轉塗膜機 spin coater
20 三月 2018
311 電動紗線支數測長機
04 二月 2018
熱門商品
TH-A/B/C 指針/數字錶 錠劑硬度計
15 四月 2015
OHAUS PX系列電子天平
18 十二月 2011
TQC CURVE-X3(CX3020) 爐溫記錄器
28 十一月 2013
Search
首頁
產品介紹一
天平衡器
泛用儀器
色差分析
黏度分析
光學儀器
滲透壓儀
水份分析
自動滴定
水質檢測
攪拌均質
產品介紹二
塗料檢測
物性試驗
離心機
耐光候試驗
烘箱灰化爐
光學顯微鏡
球磨滾筒機
薄膜包材檢測
儀器耗材
案例分享
最新訊息
Layout Type
Enable Boxed Layout
Presets Color
Background Image